Что необходимо для изготовления фена своими руками
Чтобы самостоятельно собрать строительный фен необходимо заранее подготовить соответствующие комплектующие, которые будут использоваться в процессе сборки. Для этого понадобится предусмотреть наличие:
- Старого корпуса из обычного фена. При этом он не должен быть пластмассовым, подойдет только керамическая конструкция.
- Металлических лопастей, которые буду установлены на вентилятор. Их можно вырезать из жестяного листа.
- Нихромовой спирали.
- Кабеля для питания. Сечение у проволоки должно быть более 4 мм, поскольку нагрузка предполагается на устройство большая.
- Кусков из резиновых труб. Их использование на строительном фене позволяет хорошо защитить руки от ожогов.
- Стандартного металлического сопла, имеющего приплюснутость на одном конце. Такая простая форма используется для большинства работ, обеспечивая более простое плавление и разогревание.
- Прямую круглую трубку, которая будет использоваться для паяльных и сварочных работ.
- Средств, обеспечивающих индивидуальную защиту. В данном случае достаточно перчаток.
Устройство прибора
Основные элементы, из которых состоит строительный фен:
- двигатель;
- нагревательный элемент;
- вентилятор.
Мощность у аппарата большая, а производительность зависит от количества литров воздуха, которое пропускает фен за минуту.
У многих современных моделей есть такие функции:
- регулировка потока воздуха и температуры;
- выбор нужного рабочего режима;
- насадки, упрощающие работу с материалами различной прочности;
- определяющий температуру нагрева светодиодный индикатор.
Кроме этих элементов, внутри механизма есть дополнительные, которые играют важную роль в работе фена:
- Кнопка выключения. Иногда со встроенным регулятором температуры.
- Регулятор температуры. Выходящий из сопла инструмента воздух нагревается за счёт этого датчика.
- Сменные насадки. Они крепятся на сопло.

Какие могут возникнуть поломки?
Проблемы с кнопками и переключателями
Кнопки фена заедают из-за того, что на переключателе появляются нагар, окись. Эти дефекты не позволяют пройти электрическому току по контактам. Для выявления неисправности переключателя и кнопки пользуются мультиметром.
Для этого в режиме прозвона нужно коснуться щупами выводов кнопки. Если прибор отключён, то он не должен издавать никаких посторонних шумов. Особенно подозрительны посвистывания. При включении первого — второго режимов в исправном состоянии переключателей должен издаваться еле слышный звук. В этом кроется причина: неисправны другие узлы в системе.
Разобрав фен, нужно прочистить все соединительные контакты, которые на поверхности имеют ржавчину или иные попавшие извне элементы. Иногда достаточно заменить переключатели на новые, чтобы устройство исправно заработало.
Неисправность сетевого провода

Визуально обнаружить неисправность сетевого провода невозможно. Происходит повреждение жил внутри изоляции, которые снаружи совсем не видны. Повреждение провода возникает как по механическим причинам, например, передавливание провода дверью, так и из-за долгой эксплуатации прибора на максимальной мощности. Жила перегревается, перегорает, медный материал в результате этого становится хрупким, ломким.
Мультиметром можно диагностировать поломку этой части, следуя инструкции:
- разбирается фен;
- включается на мультиметре режим прозвона;
- к контакту вилки подключается один щуп от мультиметра;
- второй щуп поочерёдно прикладывают к контактам на клеммной колодке;
- если какой-то из контактов подаёт сигнал при такой манипуляции, значит, одна из жил ещё рабочая, а проблема заключается в другой жиле;
- подключается щуп на второй контакт вилки, и процедура продолжается;
- мультиметр должен издать звук при прикосновении ко второй клеммной колодке.
Внимание
Слабый контакт в проводе может также влиять на неисправность фена. Самовыключение прибора при этом происходит регулярно. Перебои в работе можно исправить путём замены сетевого провода.
Неисправность коллекторного двигателя
Чтобы уточнить проблему с коллекторным двигателем, необходимо применить мультиметр. Выполняют им прозвон, а затем подключают к источнику постоянного напряжения необходимой величины. Плату с диодным мостом отсоединяют, если нет источника переменного напряжения необходимой величины.
Чтобы осуществить прозвон электромотора мультиметром, необходимо к щупам подвести выводные контакты устройства. Появившееся сопротивление — сигнал, что обмотка не повреждена. Двигатель неисправен, когда издаются нехарактерные звуки. В данном случае можно услышать пощёлкивание или скрежет.
Нужно разобрать устройство, вытащить двигатель. Починить его можно путём прочистки соединительных деталей. От долгой работы пружины двигателя могут засоряться. Но проблема может состоять и в другом. Движок может быть выпущен производителем с браком, который никак невозможно исправить подручными средствами. Необходимо поменять коллекторный двигатель на более надёжный.
Перегорела плата и спираль

Диагностику неисправности спирали и платы выполняют по следующей схеме:
- извлекается нагревательный элемент из металлической колбы;
- осматриваются провода на наличие подключения их к контактам спирали ТЭНа;
- на этом этапе уже можно увидеть возможную поломку: окисление контактов или отсоединение одного из проводов;
- в режиме измерения сопротивления включается мультиметр, подключается к контактам спирали;
- нарушение целостности нихромовой нити определяется нулевым значением прибора: спирали должны показывать сопротивление.
Внимание
В результате эксплуатации электрофена нихромовая нить теряет свои первоначальные характеристики, не имеет присущих ей свойств. Она становится хрупкой, выводит из строя многие составные элементы прибора — первыми перегорают плата и спираль.
Если спираль имеет обрыв и повреждения в разных местах, то её нужно заменить на новую. Простой обрыв можно устранить путём соединения двух частей спирали. Для этого потребуется воспользоваться маленькими болтиками и гайками.
Неполадки с платой зависят от используемой модели этого элемента. Устаревшие модели содержат только одну плату – выпрямительный диодный мост. Его можно исправить простым паяльником. Если строительный фен снабжён инверторной платой, то, осмотрев, можно обнаружить неисправность. Перегоревшие детали имеют потемневший окрас. Паяльником удаляется весь ненужный налёт.
Как разобрать фен: порядок осмотра, разборки и ремонт
Разборка прибора не вызывает трудностей, если действовать в соответствии с инструкцией, иметь под рукой нужные инструменты и обладать хоть какими-то знаниями в области электроники.
Шнур
В первую очередь необходимо осмотреть провод. Начинать стоит с розетки, чтобы убедиться в наличии электроэнергии. Если свет есть, тогда переходят к проверке шнура — от корпуса к вилке. Осматривают целостность провода, ищут изломы, разрывы, оплавления. Внутри корпуса, после его разборки, наблюдают за состоянием электросопротивления — парой разъемных контактов, пайкой или проводкой с пластиковыми колпачками.
Неразъемное соединение
Если проводка заделана в пластиковые колпачки, значит речь идет о неразъемном соединении. Такой вариант довольно сложен для тестирования и требует наличия материалов:
- обычная игла;
- тестер;
- лампа;
- индикатор.
Проверка выполняется следующим образом:
- К одной клемме присоединяют иголку — ее следует вставить в жилу питания возле колпачка до самой меди;
- Вторая клемма охватывает усики вилки;
- Прозванивают сразу обе жилы.
Полезно!
Не стоит делать больше одного прокола на жилу, поскольку эксплуатация устройства не исключает попадания влаги внутрь корпуса.
Контактная площадка
Гораздо легче прозвонить провод, когда места стыков видны невооруженным глазом. Если обнаружены повреждения, лучше заменить шнур на новый, у которого неразборная вилка. Второй вариант предпочтительней, поскольку в первом случае накладываются ограничения на выбор изоляционных материалов, предотвращающих попадание влаги на жилы.
Внимание!
Самое уязвимое место — на контакте провода с корпусом. Постоянные перегибы, скручивания шнура приводят к перетиранию, образованию трещин. Поврежденные медные жилы начинают искрить, сжигать изоленту и плавиться.
Выключатель и переключатель
Проверить работоспособность выключателя можно, выполнив короткое замыкание детали. Если используется трехпозиционный переключатель, соответствующую проверку потребуется произвести три раза — для каждого режима отдельно. Лучше зарисовать схему расположения проводов, чтобы не допустить ошибок при сборке.
После выявления дефекта его следует внимательно осмотреть и обработать. Следы гари нужно счистить надфилем, ластиком или шкуркой, контакты — обработать спиртом. Если какой-то элемент не подлежит восстановлению, его стоит заменить на новый аналогичный.
Вентилятор
Забитый воздуховод — распространенная проблема при эксплуатации техники. Если есть фильтр, его нужно снять и тщательно прочистить, забившуюся пыль получится убрать с помощью мягкой щетки. При обнаружении намотанных волос на ось мотора лучше снять вентилятор с вала, после чего удалять загрязнения.
Спирали
Чаще всего приспособления оснащены сразу несколькими нагревателями, которые внешне ничем не отличаются друг от друга. После разборки агрегата следует убедиться в идентичности нагревательных элементов, при наличии разрывов их нужно спаять или закрутить концы. Помимо этого, концы спирали можно соединить с помощью тонких медных трубочек.
Двигатель
На поломку мотора указывают возникновение сильного треска и наличие искр при включении. При обнаружении неисправности следует выпаять обмотку двигателя из электросхемы и проверить все соединения. Замена обмотки требует определенных навыков и знаний в области электрики, поэтому при отсутствии таковых лучше сразу обратиться к профессионалам.
Полезно!
Если обмотка исправна, достаточно очистить поверхность и оценить плотность прилегания щеток к медной поверхности. При этом вал должен свободно крутиться, а все трущиеся элементы лучше смазать.
Микросхема:

- Гетинаксовая подложка периодически трескается, что приводит к разрыву дорожки. Если обнаружен поврежденный фрагмент, его следует заглубить, немного покрыв припоем;
- О неисправности конденсатора говорит раздутие изделия, при поломке оно выгибается наружу. Если поломка выявлена, единственным выходом станет замена детали на новую;
- Резистор при выгорании темнеет. Даже если он не вышел из строя, его стоит заменить.
Термостат
Отдельные модели оснащены функцией саморегуляции. Функционирование осуществляется путем использования резистивного делителя, у которого одно плечо отвечает за реагирование на температуру. В дальнейшем можно действовать следующим образом:
- Ликвидировать датчик, разорвав цепь, после чего проверить работоспособность.
- Замкнуть провода, понаблюдав за реакцией прибора.
Большая вероятность, что попытка не увенчается успехом, если устройство реагирует только на определенные значения сопротивления.
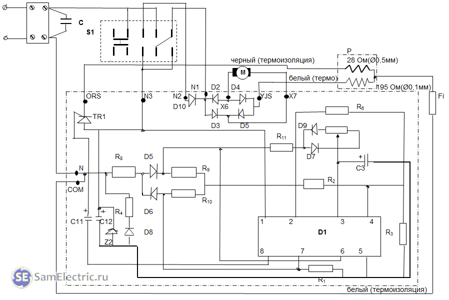
Схема и электроника фена
Сначала рассмотрим схему фена на плате DB3011. Ниже приведена фотография в разобранном виде:

Плата DB3011, DB3013
Схема электрическая соединений:

Фен Интерскол ФЭ-2000. Плата DB3011. Схема соединений
На схеме:
- С1 – 0,22 мкФ х 275V (для подавления помех)
- R1 – 27…28 Ом – низкоомный (мощный) нагревательный элемент
- R2 – 180…195 Ом – высокоомный нагревательный элемент (спираль)
- F – термопредохранитель (Lebao RVD-135 250V 10A TF=135°C)
- M – двигатель, 18 VDC
- Переключатель – на 4 положения, Defond DSE-2410
Схема самой платы DB3011:

Фен Интерскол ФЭ-2000. Плата DB3011. Схема соединений и схема платы (вариант 1)

Схема платы DB3011. Вариант 2
Безопасность при эксплуатации фена
Чтобы обезопасить себя от травматизации, необходимо знать, как правильно работать строительным феном.
- Совместное использование прибора и газового оборудования недопустимо. В частности в кухонных помещениях, где отмечается присутствие открытого воздуха и гибких шлангов. Неправильная эксплуатация и искрение может спровоцировать взрыв газа.
- Запрещено использование строительного фена для работы с лакокрасочными материалами в невентилируемом помещении. При нагреве происходит разлет вредных компонентов, которые опасны для здоровья.
- При снятии краски, необходимо предварительно узнать какое она имеет происхождение, так как есть вероятность содержания в ней токсичного свинца.
- Используя строительный фен для любых задач необходимо заблаговременно предусмотреть наличие средств пожаротушения.
- Выполнение рабочего процесса должно осуществляться в перчатках и в одежде с длинными рукавами, чтобы уберечься от возможных ожогов.
- При снятии краски с окон следует использовать особую насадку, которая защищает стекло. Но самодельное устройство естественно ее не предусматривает. Поэтому лучше приобрести ее или снять краску без использования строительного фена. Поскольку при работе высока вероятность разрушения стекла и разлета осколков.
- Работая с подобным оборудование необходимо позаботиться, чтобы поблизости отсутствовали дети и животные.
Сперва проверку строительного фена осуществляют с безопасного расстояния. Если аппарат функционирует исправно: происходит разогрев спирали до красного состояния, присутствует нагнетание воздуха, то это свидетельствует о возможности эксплуатации устройства. Для пробы его на деле используйте что-то менее значимое по ценности.

Изготовить строительный фен своими руками в домашних условиях довольно-таки не просто, поскольку требуются определенные навыки и знания конструирования электроприборов. Если не учитывать перечень необходимых требований, то поломка техники совершенно не исключается. Чтобы этого не произошло можно просмотреть представленные ниже видео-уроки по созданию устройств данного типа.
Рейтинг лучших плоек
Зная, как разобрать свою плойку и отремонтировать ее самостоятельно, вы продлите срок службы прибора. И это, безусловно, положительный момент. Однако чтобы избежать ремонтных работ или хотя бы минимизировать их, нужно изначально стараться выбирать качественный стайлер.
Сегодня рынок бьюти-приборов изобилует огромным количеством моделей, которые способны придавать локонам самые разнообразные формы. Мелкие и крупные завитки, голливудские локоны, гофре – это далеко не полный список укладок.
Есть в продаже и такие плойки, которые сами выполняют захват и накручивание пряди. Технический прогресс не стоит на месте. Производители делают все возможное для повышения удобства и модернизации функционала стайлеров.
При выборе прибора в первую очередь нужно обращать внимание на бренд. Это – самый главный критерий
Чем серьезнее и известнее фирма, тем дольше прослужит приобретенная плойка и тем лучше будет завивка
Чем серьезнее и известнее фирма, тем дольше прослужит приобретенная плойка и тем лучше будет завивка.
Среди лидеров рейтинга можно назвать такие марки:
- «Ровента»;
- «Ремингтон»;
- «Филипс»;
- «Браун»;
- «Бош»;
- «Витек»;
- «Скарлетт»;
- «Поларис».
Стайлеры перечисленных производителей можно увидеть, наверное, в любом магазине бытовой техники. Их нельзя отнести к дешевым. И тем не менее они пользуются высоким спросом.
Кроме названных марок, есть и профессиональные плойки, которые продаются только в специализированных точках. Если верить отзывам, самыми лучшими среди них считаются:
- «Бебилис»;
- «Деваль»;
- «Велекта Парамаунт»;
- «Валера».
Разумеется, последние приборы стоят дороже. Правда, они компенсируют затраты своей выносливостью и продолжительным сроком службы.
Какие поломки встречаются в конструкции строительных фенов
Не имеет значения, какой марки и модели строительный фен — Энкор, Интрескол, Интертул, Бош, Эдон и другие, так как рано или поздно, все они ломаются. Связано это непосредственно с неправильной эксплуатацией оборудования. Если мастер халатно относится к применению рассматриваемого прибора, то уже в скором времени обязательно понадобится его ремонт. Произвести ремонт строительного фена не составит большого труда, если имеется представление о его конструкции и принципе работы. Поломки фена можно классифицировать на два типа:
- Основные и незначительные — это когда неисправность прибора связана с перегибом шнура, поломкой кнопки выключения, а также выходом из строя регулятора
- Глобальные поломки — это когда неисправность инструмента связана с выходом из строя двигателя и ТЭНов

В любом случае, выявить на глаз поломку фена без его разборки невозможно, поэтому начинать ремонт инструмента следует с поиска поломки. Незначительные поломки можно устранить без замены деталей, например, когда отсутствует контакт в питающем проводе. Провод обеспечивает питание не только на электромотор, но еще и на нагревательные элементы. Если перебит провод, то инструмент не будет работать вовсе, а если неисправность связана с неработоспособностью двигателя или ТЭНа, то поиск необходимо проводить непосредственно в этих узлах.
Это интересно! Чтобы найти поломку, понадобится разобрать инструмент. В зависимости от модели, количество крепежных винтов может отличаться, однако принцип разборки заключается в том, что первоначально следует выкрутить все крепежи.
Как установить подогрев лобового стекла
Установка подогрева лобового стекла является достаточно простой задачей. Стекло снимать не нужно. Основная задача — обезжирить поверхность стекла и затем аккуратно наклеить липкую ленту с нитями подогрева
Важно добиться того, чтобы лента не начинала отслаиваться. Еще нужно учитывать, что если часть нитей накала отслоилась от стекла, в этих местах возникает перегрев нитей и система частично или полностью выходит из строя
Также при выполнении работ нельзя клеить нити на влажное, неочищенное или же холодное стекло
В этом случае приклеить ленту надежно не удастся, произойдет отслойка. В случае если комплект для установки подогрева стекла минимальный, тогда в «плюсовой» провод подогрева нужно дополнительно установить предохранитель в отдельном корпусе
Также при выполнении работ нельзя клеить нити на влажное, неочищенное или же холодное стекло. В этом случае приклеить ленту надежно не удастся, произойдет отслойка. В случае если комплект для установки подогрева стекла минимальный, тогда в «плюсовой» провод подогрева нужно дополнительно установить предохранитель в отдельном корпусе.
При установке нитей важно приклеить нити так, чтобы прогревать линию контакта рабочих кромок щеток стеклоочистителя с самим стеклом. Это позволит избежать отрыва примерзшей резинки и дефектов лезвия в том случае, если дворники будут включены случайно или слишком рано, то есть пока лед не растаял
Также может срабатывать и датчик дождя, при этом дворники еще не отогрелись
Также может срабатывать и датчик дождя, при этом дворники еще не отогрелись.
Также при установке лент важно разметить, где будут подключаться к нитям провода питания. Это в значительной степени упрощает монтаж
Саму проводку на обогрев лобового стекла можно спрятать под накладками передних стоек (если они без Airbag и/или их можно снять без трудностей)
Саму проводку на обогрев лобового стекла можно спрятать под накладками передних стоек (если они без Airbag и/или их можно снять без трудностей).
Еще добавим, что при выборе предохранителя для обогрева стекла можно поставить предохранитель 10 А. Если же подогрев мощный, тогда можно заменить такой предохранитель на аналог 15А.
Схему подключения питания нужно продумывать так, чтобы запитаться от штатной проводки
Обратите внимание, брать питание от прикуривателя не следует, так как подогрев может работать даже в том случае, если зажигание выключено. Оптимально делать так, чтобы подогрев работал только при включенном зажигании
Еще нужно поставить выключатель (кнопку) подогрева лобового стекла
Такой выключатель желательно подбирать с износоустойчивой клавишей и контактами для мощных энергопотребителей, а также с надежным корпусом, который не будет плавиться. Для таких задач лучше выбирать подходящий выключатель автомобильный
Еще нужно поставить выключатель (кнопку) подогрева лобового стекла. Такой выключатель желательно подбирать с износоустойчивой клавишей и контактами для мощных энергопотребителей, а также с надежным корпусом, который не будет плавиться. Для таких задач лучше выбирать подходящий выключатель автомобильный.
Параллельно можно использовать подключение подогрева лобового к подогреву заднего стекла, однако делать этого не рекомендуется по причине больших нагрузок. Лучше создать полностью отдельную схему.
Подключить лобовое стекло с подогревом лучше в области моторного отсека, выведя туда провода. При этом провод «+»также нужно заводить в салон, чтобы подключить кнопку обогрева лобового стекла. Такой подход позволит включать обогрев стекла только с кнопки из салона и только при включенном зажигании.
Техника безопасности
Казалось бы, для нас нет ничего нового и непонятного в том, как соблюдать элементарные правила безопасности при работе с электроприборами. Но самостоятельный ремонт даже такого компактного устройства, как фен для волос, потребует от вас аккуратности. И связано это как раз с электричеством:
- Приступайте к работе только в том случае, если у вас есть навыки работы с электричеством. При их отсутствии лучше доверьтесь профессионалам.
- Обязательно отключите прибор предварительно от сети. Используйте в работе индикаторную отвёртку или мультиметр для проверки.
Обязательно отключайте прибор от сети перед ремонтными работами
- Учтите, что наши рекомендации касаются только бытовых фенов, которые применяются в домашних условиях. Для профессиональных приборов они не подходят.
Как сделать строительный фен и насадки к нему своими руками с чертежами и видео
Строительный фен необходим для выполнения ряда отделочных и других работ. Необходимость в мощном профессиональном устройстве возникает не всегда. Изготовить электроприбор можно своими руками, воспользовавшись старым бытовым феном, даже и поломанным.
Как сделать строительный фен своими руками
Чтобы изготовить строительный электроприбор из обычного фена для волос, необходимо провести модернизацию устройства.
- Прежде всего нужно разобрать корпус.
- После разборки бытового электроприбора необходимо извлечь все пластиковые детали, которые могут расплавиться под воздействием высоких температур. Их можно заменить изделиями из текстолита и эбонита.
- Отработавший своё нагревательный элемент также извлекается. Вместо него устанавливается керамическая деталь, на которую наматывается нихромовая спираль. От количества её витков зависит рабочая температура устройства. Чем они плотнее, тем больше градусов будет на выходе. Здесь есть некоторые особенности:
- Нихромовые витки не должны соприкасаться между собой. В противном случае возможно замыкание при работе.
- В бытовых самодельных приборах не стоит укладывать витки слишком плотно: может не выдержать электрика.
- Проще всего сделать нагревательный элемент из корпуса мощной галогеновой лампы и нихромовой спирали. Ламповое стекло может выдерживать очень высокие температуры без каких-либо последствий. Закрученная проволока помещается в стеклянный корпус.
- Концы нихромовой проволоки прикручиваются к проводу трансформатора и изолируются. Фен предварительно переводится в режим вентилятора. Работа с паяльником исключается: материал, из которого делается спираль, не подлежит припою. Все пластиковые детали убираются
- Готовый нагревательный элемент оборачивается в фольгу. Создаётся отражённое излучение, увеличивающее мощность электроприбора. Кроме этого, сводятся к минимуму теплопотери от нагревательного элемента.
- В качестве альтернативы корпусу лампы можно использовать стекловолокно, намотанное поверх нихромовой спирали. Сверху надевается прочная стальная трубка, через которую горячий воздух будет выходить наружу.
- Нагревательный элемент размещается в корпусе строительного фена и подключается к трансформатору. Прибор необходимо выставить точно по центру. Предварительно он заматывается в несколько слоёв асбестовой нити, что равномерно увеличивает его диаметр. Подойдет деталь от старого компьютера
- На ручку фена надевается заранее подготовленная резиновая трубка. Это предотвращает ожоги рук от касания к раскалённой керамике. Для этой цели может использоваться старая гофра от пылесоса, прорезиненная изнутри и матерчатая снаружи. Этот материал надёжно защитит работника.
Примеры на фото
Используется для термообработки отдельных слоев ткани или плёнки
Используется в обработке линолеума
https://www.youtube.com/watch?v=z0CsK2UXh54
С ее помощью можно изгибать полимерные трубы
Используется для сварки полимеров, баннеров, очистки стен от краски
Используется для термоусадки упаковок, труб и т. д
Большинство деталей можно изготовить самостоятельно
Большинство насадок можно изготовить самостоятельно из остатков хромированной трубы. Разберём для примера две формы: сужающуюся к выходу и плоскую, в виде пылесосного сопла.
- Берём два отреза трубы нужной длины (зависит от запланированного размера насадки).
- На одном из отрезов делаем четыре небольших надреза.
- С помощью ножовки по металлу на основе надрезов выпиливаем равнобедренные треугольники. Аналогичный спил проводим с другой стороны, в результате чего должен получиться равносторонний угол. Вырезанные части примерно равны друг другу
- Полученные лепестки загибаются внутрь. Все края должны быть ровными
- Состыкованные стороны привариваются друг к другу.
- При желании можно зачистить сварку. Это делается для придания детали более эстетического вида. Деталь после шлифовки, готовая к использованию
- Надеваем на сопло вентилятора, при необходимости делаем два пропила (в случае, если диаметр трубы не совпадает с требованиями фена), работаем.
Чтобы сделать плоскую насадку для строительного фена, достаточно немного простучать одну из сторон обреза трубы молотком. При необходимости, на обратной части делаются пропилы для более удобного контакта с соплом электроприбора.
Для изготовления достаточно немного сплюснуть кусок трубы молотком
Самостоятельное изготовление строительного фена — дело достаточно сложное и требующее навыков в работе с электроприборами. Если основные требования технологии не соблюдены, возможен выход из строя электрики.
- Максим Овсянников
- Распечатать




































